User Guide: simpleRTK2B SBC – Development Kit
Overview:
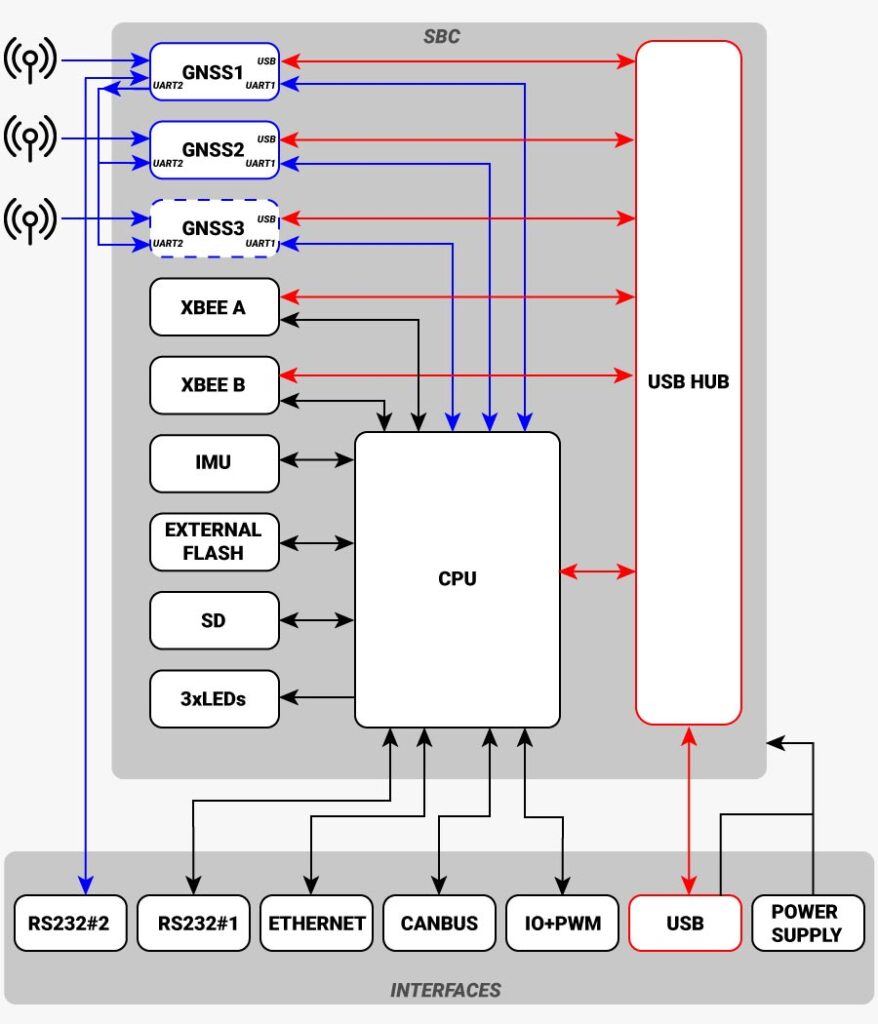
simpleRTK2B-SBC is a programable Single Board Computer for GPS/GNSS RTK applications. Can be used as base and rover, and it’s completely configurable. simpleRTK2B-SBC can be used in 3 different ways:
- ArduSimple firmware. Just connect to your PC, load the firmware compatible with your application, and start enjoying centimeter precision.
- ArduSimple MicroPython. Let our software take care of powering and configuring the system and make position/heading/attitude variables available to you. Simply program you functionality: send message any available interface, control actuators, etc, and just with a few simple lines of code. Learn more about this in the SBC advanced user guide.
- Embedded C/C++. If you are an advanced programmer you can get full access to the STM32F7 core: program it as you wish to create your own product around RTK technology. And let us take care of the hardware manufacturing. Contact us if you want to go this way.
SBC Advanced Hookup Guide
Do you need more? We have prepared an advanced hookup guide to answer all your questions: https://sbc.ardusimple.com/-
Bulk
simpleRTK2B-SBC (Bulk Pack 10 units)
From 726,00€ Select options This product has multiple variants. The options may be chosen on the product page -
RTK2B Boards
simpleRTK2B SBC – Development Kit
From 899,00€ Select options This product has multiple variants. The options may be chosen on the product page
and



